VÁLVULA ANTIRRETORNO M-> M CON DESCARGA

$0.00

icono

UGS : 2.340.002 2.340.003 2.340.004 2.340.005 2.340.007 2.340.010 2.340.011 2.340.014 2.340.015 Catégories : , , Étiquettes : ,

Description

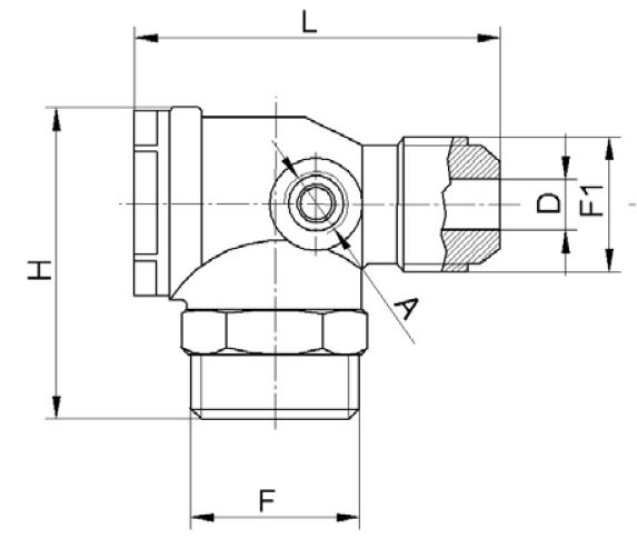
Válvula antirretorno

→ Válvula antirretorno, alimentación abocardado.
– Construida EN 12164:98 CW 614N
– Pastilla cierre: VITON
– Muelle: EN 10270-3

Código M -> M Con descarga (A) D H L
2.340.002 3/8″ – 1/4″ 1/8″- D6 mm 6 43 42
2.340.003 3/8″ – 3/8″ 1/8″- D6 mm 9 41 47
2.340.004 3/8″ – 1/2″ 1/8″- D6 mm 9 44 51
2.340.005 1/2″ – 1/2″ 1/8″- D6 mm 11 48 56
2.340.007 1/2″ – 3/4″ 1/8″- D6 mm 11 48 57
2.340.010 3/4″ – 3/4″ 1/8″- D6 mm 16 61 75
2.340.011 3/4″ – 3/4″ 1/4″ – H 16 61 75
2.340.014 3/4″ – 1″ 1/8″- D6 mm 16 58 74
2.340.015 3/4″ – 1″ 1/4″ – H 16 58 74